Moderniser badet ditt med Geberit Monolith Plus sisterne
Geberit Monolith Plus sisterne er en stilren og funksjonell løsning som passer perfekt til ditt back-to-wall toalett. Med et design som glir sømløst inn i ditt eksisterende baderom, konverterer denne cisternen det tradisjonelle toalettets utseende til en moderne stil. Den er laget av høykvalitets stentøy, som gir en holdbar overflate med et tidløst skiferutseende. Sidepanelene i aluminium tilfører en moderne touch som komplementerer ethvert baderom.
Fordeler med Geberit Monolith Plus sisterne
- Luktavsug: Det keramiske filteret sikrer et friskt og behagelig baderom.
- ComfortLight: Justerbart orienteringslys som skaper trygghet om natten.
- Fleksibel belysning: Velg mellom kjølig og varmt hvitt lys, fra 2200 K til 4000 K.
- Vannbesparende: Skyllemengden kan reduseres fra 6 liter til 4 liter, noe som sparer vann.
- Ideell for renovering: En perfekt løsning for å oppdatere eksisterende baderom.
- Kompatibel med dusjtoaletter: Gir muligheter for moderne sanitærløsninger.
- Moderne estetikk: Monolith sisterne harmonerer perfekt med back-to-wall toalett.
Enkel installasjon uten omfattende arbeider
Geberit Monolith Plus sisterne kan enkelt kobles til eksisterende avløp og vanntilkoblinger. Den krever ikke store byggearbeider, noe som gjør installasjonsprosessen rask og smertefri. En rørlegger kan installere cisternen og toalettet på kun noen få timer, og uten behov for andre håndverkere.
Typiske bruksområder for denne modellen
- Renovering av eksisterende baderom eller nybygg.
- Erstatning av et gulvstående toalett med synlig cisternen og avløp.
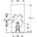
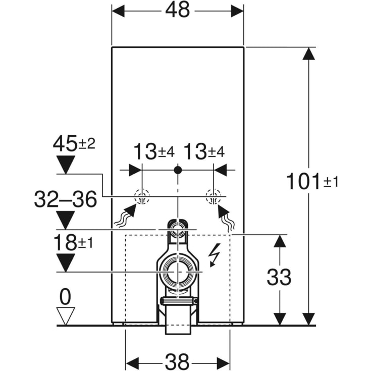
- Kan brukes ved veggavløp hvis avstanden fra gulv til midten av avløpet er 18 cm.
Holdbarhet og enkel vedlikehold
Cisternemodulet er laget av førsteklasses materialer som sikkerhetsglass og aluminium. Innvendige komponenter opprettholder Geberits høye standarder for kvalitet og ytelse. Med alle ventilene lett tilgjengelige, er service og vedlikehold enkelt. Du kan være trygg på at reservedeler er tilgjengelige i mange år fremover.






























